Hi!您好,欢迎来到艾搜艾学-sok100 | 五邑地区设计研修基地
当前位置:网站首页 > 五邑地区设计研修基地 > 新闻资讯 > 江门排名很高的机械CAD绘图培训机构名单一览
机构:五邑地区设计研修基地发布时间:2023-05-10 17:30:24 热度:453
江门排名很高的机械CAD绘图培训机构名单一览?CAD绘图功能强大,应用广泛。掌握CAD绘图,可以从事以下相关领域的CAD绘图员,CAD绘图员,CAD设计师等。CAD技术已广泛应用于制造业,包括机床、汽车、飞机、船舶、航天器等制造业。江门机械CAD绘图培训机构哪家口碑好?小编整理了江门排名很高的机械CAD绘图培训机构名单一览,供您参考!

现代设计技术将并行工程的概念引入到整个设计过程中,在设计阶段综合考虑产品的整个生命周期。目前,先进的CAD应用系统已将设计、绘图、分析、仿真和加工等一系列功能集成到一个系统中。关于机械CAD绘图培训机构,小编整理名单如下:
(以上排名仅供参考,不分先后顺序)

我们是以就业为导向,开设艺术设计行业热门专业课程,培养市场紧缺型人才,开设热门专业,包括室内设计、平面艺术设计、网店美工与运营、网页网站设计师、机械绘图、三维机械设计等专业课程。
本基地自成立以来遵循科学的教学理念,不断完善教学方法,坚持以培养专业技能人才为中心,重视学生的专业知识、实际操作能力。在科学合理编排教程的基础上进行规范化、系统化教育,让学员毕业后能迅速适应实际工作环境,赢得企事业单位的高度赞 誉。
机械CAD绘图课程目标:学习具有空间形象思维和三维形体设计的能力;善于运用现代设计工具和软件思考、绘制、造型及解决问题的能力;机械综合设计能力。

学员参加相应考试,考试合格后可获得下列证书:
1.江门开放大学职业技能培训课程证书;
2.国家制造业二维CAD应用工程师技能证书(选考)

【机械制图】制图的基本规定;几何作图;正投影法与三视图;轴测图;组合视图;图样的基本表示法;尺寸公差与配合;形状和位置公差;零件图;机械基础常识。
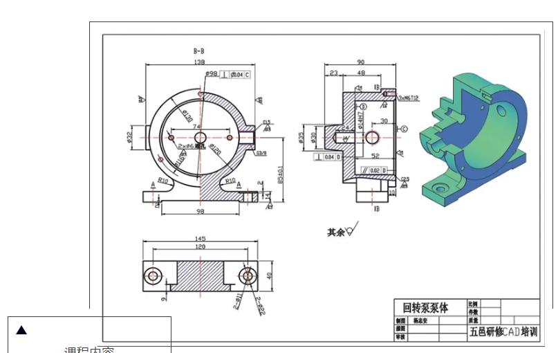
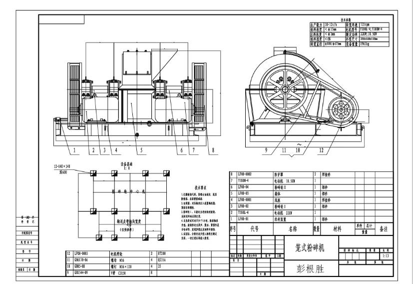
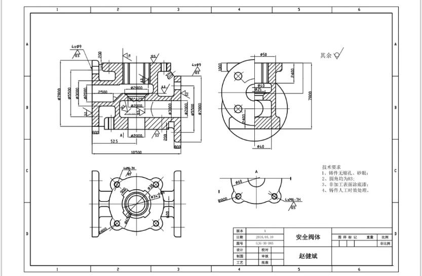
【二维CAD绘图】学习机械制图理论、软件工作界面、绘图、线形、图层;创建和编辑二维图形对象等;复杂二维图 形对象绘制、绘制支架、摆钩、棘轮、曲柄板手、直齿圆锥齿轮;尺寸标注样式,尺寸公差、公差标注,文字和表格等;机械装配图绘制,创建块与编辑;布局与数据共享;投影的基本知识、机件的表达方法、三视图的基本要领;点、直线、平面的投影;剖面图、局部放大图、简化画法;斜视图、局部视图、旋转视图、剖视图;零件图的作用、内容、零件图的技术要求、配合的概念;三维零件图转换三视图;简单三维零件图画法、文字 标注有尺寸标注、图形输出等,整个课程中穿插机械制图方法和制图标准的内容,培养正确而快速绘图的能力。

以上是小编为大家介绍的关于江门排名很高的机械CAD绘图培训机构名单一览的相关内容,想要了解更多机械CAD绘图培训的信息,可咨询在线老师。